Roletes de esteira para escavadeira Komatsu PC1250
Solicite uma cotação
Peças para equipamentos pesados
Roletes de esteira Komatsu
A PT'ZM produz roletes de esteira Komatsu projetados para durabilidade a longo prazo e desempenho confiável em ambientes de mineração e construção.
- Modelos de escavadeiras Komatsu compatíveisPC1100 6, PC1100LC 6, PC1250SP 7,PC1250 7
- Números de peça OEMKM2503, 21N-30-00120, 21N-30-00121
Especificações técnicas
- Descrição: Rolete de esteira
- Local de origem: China
- Marca: PT'ZM
- Modelo de máquina aplicável: PC1250
- Marca da máquina aplicável: Komatsu
- Número da peça: 21N-30-00121
- Certificado: GB/T19001-2016, ISO9001:2015
- Preço: A negociar
- Método de embalagem: Embalagem fumigada adequada para transporte marítimo
- Prazo de entrega: 7-30 dias
- Condições de pagamento: T/T, outras condições negociáveis
- Condições de envio: FOB, CIF, CFR
- Quantidade mínima de encomenda: 1 unidade
- Capacidade de fornecimento: 1000 unidades/mês
- Material: 40Mnb2/42Crmo
- Processo de fabricação: Forjamento
- Acabamento: Liso
- Dureza: HRC48-55, profundidade 8-10 mm
- Qualidade: Operação de mineração, serviço pesado
- Período de garantia: 12 meses
- Serviço pós-venda: Suporte técnico por vídeo, suporte online
- Cor: Preto ou conforme solicitado pelo cliente
- Aplicação: Escavadeira de esteira
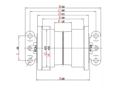
Tabela de tamanhos (unidade: mm)
| PC1250 | A | B | C | D | E |
| 388 | 550 | 480 | 372 | 300 | |
| F | G | H | I | ||
| 126 | 276 | 320 | 180 |
Productos relacionados
Deixe uma mensagem
Outros Produtos
O Mais Recente
Saiba mais
Outros Produtos
Vídeo

