Rolete de esteira para bulldozer Caterpillar D10
Solicite uma cotação
- Modelos de escavadeiras Caterpillar compatíveisD10N, D10R, D10T
- Números de peça OEMRolo de esteira D/F OEMCATERPILLAR 125-3270, CATERPILLAR 195-5856, CATERPILLAR 309-7678, CATERPILLAR 6Y0890, CATERPILLAR 6Y8191, CATERPILLAR 7T0687
Rolete de esteira S/F OEMCATERPILLAR 125-3268, CATERPILLAR 195-5855, CATERPILLAR 309-7679, CATERPILLAR 6Y0889, CATERPILLAR 6Y8192, CATERPILLAR 7T0682
Especificações técnicas
- Descrição: Rolete de esteira D/F (flange dupla), Rolete de esteira S/F (flange única)
- Local de origem: China
- Marca: PT'ZM
- Modelo de máquina aplicável: D10
- Marca de máquina aplicável: Caterpillar
- Certificado: GB/T19001-2016, ISO9001:2015
- Preço: A negociar
- Método de embalagem: Embalagem fumigada adequada para transporte marítimo
- Prazo de entrega: 7-30 dias
- Condições de pagamento: T/T, outras condições negociáveis
- Condições de envio: FOB, CIF, CFR
- Quantidade mínima de encomenda: 1 unidade
- Capacidade de fornecimento: 100 unidades/mês
- Material: 35Mnb2/42Crmo
- Processo de fabricação: Forjamento
- Acabamento: Liso
- Dureza: HRC48-55, profundidade 8-10 mm
- Qualidade: Operação de mineração, serviço pesado
- Período de garantia: 12 meses
- Serviço pós-venda: Suporte técnico por vídeo, suporte online
- Cor: Amarelo ou conforme solicitado pelo cliente
- Aplicação: Bulldozer
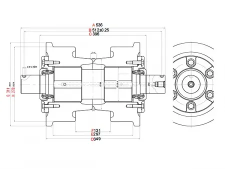
Tabela de tamanhos (unidade: mm)
| D10 | A | B | C | D |
| 536 | 512 | 396 | 349 | |
| E | F | G | H | |
| 297 | 131 | 311 | 278 |
Productos relacionados
Deixe uma mensagem
Outros Produtos
O Mais Recente
Saiba mais
Outros Produtos
Vídeo

