Bomba de engrenagem múltipla
Solicite uma cotação
Bombas hidráulicas
Informações técnicas
- Deslocamento: 10~45cm³/rev.
- Sentido de rotação: sentido horário (D), anti-horário (S)
- Velocidade mínima: 500r/mín
- Velocidade máxima: 2300r/mín
- Pressão máxima: 100~250bar
Regras para códigos de encomenda
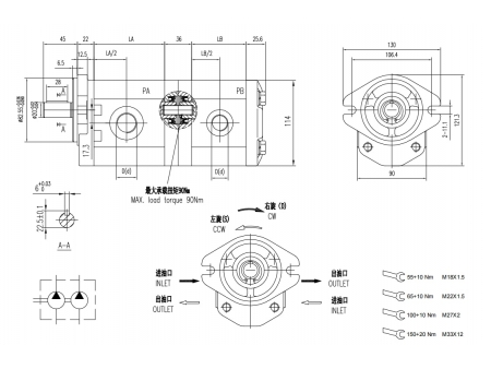
Dimensões padrão do produto
| Deslocamento | Pressão máxima | Velocidade máxima | Velocidade mínima | Dimensões | Código de porta de óleo | Entrada | Saída | Código de porta de óleo | Entrada | Saída | |||
| PA | PB | PA | PB | LA | LB | PA | D | d | PB | D | d | ||
| (cm³/rev.) | (cm³/rev.) | bar | bar | (r/mín) | (r/mín) | mm | mm | ||||||
| 10 | 10 | 250 | 250 | 2300 | 500 | 62.6 | 62.6 | Z0 | M22x1.5 | M18x1.5 | Z0 | M22x1.5 | M18x1.5 |
| 12.5 | 12.5 | 250 | 250 | 65.6 | 65.6 | Z0 | M22x1.5 | M18x1.5 | Z0 | M22x1.5 | M18x1.5 | ||
| 14 | 14 | 250 | 250 | 67.6 | 67.6 | Z0 | M22x1.5 | M18x1.5 | Z0 | M22x1.5 | M18x1.5 | ||
| 16 | 16 | 250 | 250 | 70.1 | 70.1 | Z1 | M27x2 | M22x1.5 | Z1 | M27x2 | M22x1.5 | ||
| 18 | 18 | 250 | 250 | 72.6 | 72.6 | Z1 | M27x2 | M22x1.5 | Z1 | M27x2 | M22x1.5 | ||
| 19 | 19 | 250 | 250 | 73.6 | 73.6 | Z1 | M27x2 | M22x1.5 | Z1 | M27x2 | M22x1.5 | ||
| 20 | 20 | 250 | 250 | 75.1 | 75.1 | Z1 | M27x2 | M22x1.5 | Z1 | M27x2 | M22x1.5 | ||
| 23 | 23 | 230 | 230 | 78.6 | 78.6 | Z2 | M33x2 | M27x2 | Z2 | M33x2 | M27x2 | ||
| 25 | 25 | 230 | 230 | 81.1 | 81.1 | Z2 | M33x2 | M27x2 | Z2 | M33x2 | M27x2 | ||
| 26.5 | 26.5 | 230 | 230 | 83.1 | 83.1 | Z2 | M33x2 | M27x2 | Z2 | M33x2 | M27x2 | ||
| 28 | 28 | 230 | 230 | 85.1 | 85.1 | Z2 | M33x2 | M27x2 | Z2 | M33x2 | M27x2 | ||
| 30 | 30 | 230 | 230 | 87.1 | 87.1 | Z2 | M33x2 | M27x2 | Z2 | M33x2 | M27x2 | ||
| 32 | 32 | 200 | 200 | 90.1 | 90.1 | Z2 | M33x2 | M27x2 | Z2 | M33x2 | M27x2 | ||
| 36 | 36 | 200 | 200 | 94.1 | 94.1 | Z2 | M33x2 | M27x2 | Z2 | M33x2 | M27x2 | ||
| 40 | 40 | 160 | 160 | 99.1 | 99.1 | Z2 | M33x2 | M27x2 | Z2 | M33x2 | M27x2 | ||
| 45 | 45 | 160 | 160 | 105.1 | 105.1 | Z2 | M33x2 | M27x2 | Z2 | M33x2 | M27x2 | ||
Productos relacionados
Deixe uma mensagem
Outros Produtos
O Mais Recente
Saiba mais
Outros Produtos
Vídeo

