Válvulas niveladoras N1
Solicite uma cotação
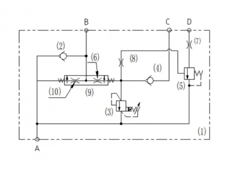
Válvulas hidráulicas para o controle preciso da elevação da lança e nivelamento automático da caçamba da minicarragadeira
- Design otimizado e compacto para um autonivelamento estável e confiável durante a operação
- Testado na fábrica com mais de um milhão de ciclos de durabilidade e validado de acordo com altos padrões de desempenho
Aplicações
A válvula niveladora é comumente usada em minicarregadeiras, proporcionando controle preciso da elevação da lança e nivelamento automático da caçamba, melhorando a precisão do manuseio e a eficiência operacional.
Especificações
| Pressão de operação máxima | 210bar |
| Fluxo nominal | 60L/min |
| Faixa de temperatura do fluido | -20℃~80℃ |
| Faixa de temperatura ambiente | -20℃~80℃ |
| Tratamento da superfífica | Niquelado |
| Faixa de viscosidade do óleo | ISO 20~400mm²/s |
Productos relacionados
Deixe uma mensagem
Outros Produtos
O Mais Recente
Saiba mais
Outros Produtos
Vídeo

