DCF20 Válvula de controle
Solicite uma cotação
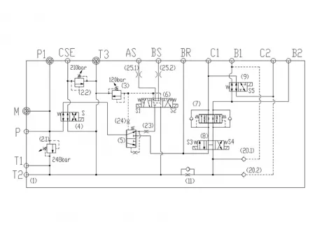
Válvulas hidráulicas para controle suave da elevação, descida, direção de deslocamento e velocidade de elevadores tipo tesoura
- Design modular e compacto projetado para um controle hidráulico seguro e confiável
- Bloco de válvulas patenteado com válvula de contrapeso de deslocamento integrada para aumentar a estabilidade geral da máquina
- Projetado para reduzir a perda de pressão em mais de 20% em comparação com as soluções de válvulas de cartucho, melhorando a eficiência energética e prolongando o tempo de operação
Aplicações
Desenvolvida para elevadores tipo tesoura acionadas hidraulicamente, esta válvula de controle gerencia todas as funções essenciais da plataforma de trabalho aéreo, como operações de elevação e descida, controle de direção preciso, gerenciamento de freios, bem como ajuste da direção e velocidade de deslocamento (modos rápido e lento).
Especificações
| Pressão máxima de operação | 250bar |
| Fluxo nominal | 20L/min |
| Voltagem | DC20V±10% |
| Faixa de temperatura do fluido | -30℃~110℃ |
| Faixa de temperatura ambiente | -30℃~110℃ |
| Tratamento de superfície | Niquelado |
| Faixa de viscosidade do óleo | ISO 20~400mm²/s |
Productos relacionados
Deixe uma mensagem
Outros Produtos
O Mais Recente
Produtos químicos para tratamento de águas residuais industriais e esgoto
watertreatmentdevice.com.br
Saiba mais
Outros Produtos
Vídeo

