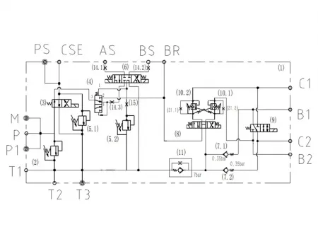
MCM-H Válvula direcional hidráulica
Solicite uma cotação
WebSite: http://hydraulicvalve-br.com/12-3-scissor-lift-control-valve-for-hydraulic-scissor-lift.html
Válvulas hidráulicas para controle suave da elevação, descida e deslocamento de elevadores tipo tesoura
- Design modular e compacto para um controle hidráulico seguro e confiável
- Design patenteado com válvula de contrapeso de deslocamento integrada para melhorar a estabilidade geral da plataforma
- A construção de alta eficiência reduz o consumo de energia, prolongando o tempo de operação do equipamento
Aplicações
Projetado para elevadores tipo tesoura acionadas hidraulicamente, estas válvulas proporcionam um controle suave de elevação e descida, bem como um ajuste confiável da velocidade e direção do deslocamento, garantindo uma operação segura, estável e eficiente da plataforma durante trabalhos em altura.
Especificações
| Pressão máxima de operação | 250bar |
| Fluxo nominal | 20L/min |
| Voltagem | DC20V±10% |
| Faixa de temperatura do fluido | -30℃~110℃ |
| Faixa de temperatura ambiente | -30℃~110℃ |
| Faixa de viscosidade do óleo | ISO 20~400mm²/s |
Productos relacionados
Deixe uma mensagem
Outros Produtos
O Mais Recente
Mandriladora e fresadora CNC portal, Mandriladora e fresadora CNC portal com pórtico fixo e mesa móvel
boringmill-br.com
Saiba mais
Outros Produtos
Vídeo

