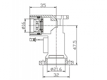
Sensor de fluxo da caldeira de liga com memória de forma

Sensor de fluxo da caldeira de liga com memória de forma
Solicite uma cotação

Nosso sensor de fluxo da caldeira de liga com memória de forma é especialmente desenhado para ajustar automaticamente o fluxo de água de acordo com a temperatura da água de entrada. Nosso sensor mantem um fluxo de água estável mesmo quando a pressão da água muda. Com base na taxa de fluxo específica, o sensor emite automaticamente os sinais correspondentes para o controlo do fluxo

Sensor de fluxo da caldeira de liga com memória de forma, modelo SCG-1-T84
    Tensão operacional 5V-12V DC
    Corrente operacional máxima 25mA(DC 12V)/15mA(DC 5V)
    Capacidade de carga ≤15mA DC12≤10mA DC5(RPLUS=1kΩ)
    Início do fluxo ≤1.5L/min
    Características da frequência do fluxo f=8.1Q-3(frequência Hz, Q fluxo L/min)
    Precisão (taxa de fluxo-pulso de saída) 3-17L/min±10%
    Resistência à pressão permitida ≤1.75Mpa

    * Quando a temperatura da água é de 20 ℃, o fluxo permanece estável em 9 ± 0,5 L / min.
    * Quando a temperatura da água é 5 ℃, o fluxo permanece estável em 6 ± 0,5 L / min.

    Sensor de fluxo da caldeira de liga com memória de forma, modelo SCG-1-T87
      Tensão operacional 5V-12V DC
      Corrente operacional máxima 25mA(DC 12V)/15mA(DC 5V)
      Capacidade de carga ≤15mA DC12≤10mA DC5(RPLUS=1kΩ)
      Início do fluxo ≤1.5L/min
      Características da frequência do fluxo f=8.1Q-3(frequência Hz, Q fluxo L/min)
      Precisão (taxa de fluxo-pulso de saída) 3-17L/min±10%
      Resistência à pressão permitida ≤1.75Mpa

      * Quando a temperatura da água é de 20 ℃, o fluxo permanece estável em 9 ± 0,5 L / min.
      * Quando a temperatura da água é 5 ℃, o fluxo permanece estável em 6 ± 0,5 L / min.

      Sensor de fluxo da caldeira de liga com memória de forma, modelo SCG-1-T88
        Corrente operacional máxima 25mA(DC 12V)/15mA(DC 5V)
        Capacidade de carga ≤15mA DC12≤10mA DC5(RPLUS=1kΩ)
        Início do fluxo ≤1.5L/min
        Características da frequência do fluxo f=8.1Q-3(frequência Hz, Q fluxo L/min)
        Precisão (taxa de fluxo-pulso de saída) 3-17L/min±10%
        Resistência à pressão permitida ≤1.75Mpa

        * Quando a temperatura da água é de 20 ℃, o fluxo permanece estável em 10,5 ± 0,5 L / min.
        * Quando a temperatura da água é 5 ℃, o fluxo permanece estável em 5,5 ± 0,5 L / min.

        Sensor de fluxo da caldeira de liga com memória de forma, modelo SCG-1-T93
          Tensão operacional 5V-12V DC
          Corrente operacional máxima 25mA(DC 12V)/15mA(DC 5V)
          Capacidade de carga ≤15mA DC12≤10mA DC5(RPLUS=1kΩ)
          Início do fluxo ≤1.5L/min
          Características da frequência do fluxo f=8.1Q-3(frequência Hz, Q fluxo L/min)
          Precisão (taxa de fluxo-pulso de saída) 3-17L/min±10%
          Resistência à pressão permitida ≤1.75Mpa

          * Quando a temperatura da água é de 20 ℃, o fluxo permanece estável em 12,5 ± 0,5 L / min.
          * Quando a temperatura da água é 5 ℃, o fluxo permanece estável em 6,5 ± 0,5 L / min.

          Sensor de fluxo da caldeira de liga com memória de forma, modelo SCG-1-T103
            Tensão operacional 5V-12V DC
            Corrente operacional máxima 25mA(DC 12V)/15mA(DC 5V)
            Capacidade de carga ≤15mA DC12≤10mA DC5(RPLUS=1kΩ)
            Início do fluxo ≤1.5L/min
            Características da frequência do fluxo f=8.1Q-3(frequência Hz, Q fluxo L/min)
            Precisão (taxa de fluxo-pulso de saída) 3-17L/min±10%
            Resistência à pressão permitida ≤1.75Mpa ≤1.75Mpa

            * Quando a temperatura da água é de 20 ℃, o fluxo permanece estável em 10,5 ± 0,5 L / min.
            * Quando a temperatura da água é 5 ℃, o fluxo permanece estável em 6,5 ± 0,5 L / min.

            Sensor de fluxo da caldeira de liga com memória de forma, modelo SCG-1-T107
              Tensão operacional 5V-12V DC
              Corrente operacional máxima 25mA(DC 12V)/15mA(DC 5V)
              Capacidade de carga ≤15mA DC12≤10mA DC5(RPLUS=1kΩ)
              Início do fluxo ≤1.5L/min
              Características da frequência do fluxo f=8.1Q-3(frequência Hz, Q fluxo L/min)
              Precisão (taxa de fluxo-pulso de saída) 3-17L/min±10%
              Resistência à pressão permitida ≤1.75Mpa

              * Quando a temperatura da água é de 20 ℃, o fluxo permanece estável em 15 ± 0,5 L / min.
              * Quando a temperatura da água é 5 ℃, o fluxo permanece estável em 11,5 ± 0,5 L / min.

              Sensor de fluxo da caldeira de liga com memória de forma, modelo SCG-1-S115
                Tensão operacional 5V DC
                Corrente operacional máxima 25mA(DC 12V)/15mA(DC 5V)
                Capacidade de carga ≤15mA DC12≤10mA DC5(RPLUS=1kΩ)
                Início do fluxo ≤1.5L/min
                Características da frequência do fluxo f=8.1Q-3(frequência Hz, Q fluxo L/min)
                Precisão (taxa de fluxo-pulso de saída) 3-17L/min±10%
                Resistência à pressão permitida ≤1.75Mpa

                * Quando a temperatura da água é de 20 ℃, o fluxo permanece estável em 10,5 ± 0,5 L / min.
                * Quando a temperatura da água é 5 ℃, o fluxo permanece estável em 5,5 ± 0,5 L / min.

                Sensor de fluxo da caldeira de liga com memória de forma, modelo SCG-1-S120
                  Tensão operacional 5V DC
                  Corrente operacional máxima 15mA (DC 5V)
                  Capacidade de carga ≤10mA DC5 (RPLUS=1kΩ)
                  Início do fluxo ≤1.5L/min
                  Características da frequência do fluxo f=8.1Q-3(frequência Hz, Q fluxo L/min)
                  Precisão (taxa de fluxo-pulso de saída) 3-17L/min±10%
                  Resistência à pressão permitida ≤1.75Mpa

                  * Quando a temperatura da água é de 20 ℃, o fluxo permanece estável em 10,5 ± 0,5 L / min.
                  * Quando a temperatura da água é 5 ℃, o fluxo permanece estável em 5,5 ± 0,5 L / min.

                  Sensor de fluxo da caldeira de liga com memória de forma, modelo SCG-1-S123
                    Tensão operacional 5V ~ 12V DC
                    Corrente operacional máxima 25mA (DC 12V)/ 15mA (DC 5V)
                    Capacidade de carga ≤15mA DC12 ≤10mA DC5 (RPLUS=1kΩ)
                    Início do fluxo ≤1.5L/min
                    Características da frequência do fluxo f=8.1Q-3(frequência Hz, Q fluxo L/min)
                    Precisão (taxa de fluxo-pulso de saída) 3-17L/min±10%
                    Resistência à pressão permitida ≤1.75Mpa

                    *Quando a temperatura da água é de 20 ℃, o fluxo permanece estável em 10 ± 0,5 L / min.
                    * Quando a temperatura da água é 5 ℃, o fluxo permanece estável em 6,5 ± 0,5 L / min.

                    Sensor de fluxo da caldeira de liga com memória de forma, modelo SCG-1-T118
                      Tensão operacional 5V ~ 12V DC
                      Corrente operacional máxima 25mA (DC 12V)/ 15mA (DC 5V)
                      Capacidade de carga ≤15mA DC12 ≤10mA DC5 (RPLUS=1kΩ)
                      Início do fluxo ≤1.5L/min
                      Características da frequência do fluxo f=8.1Q-3(frequência Hz, Q fluxo L/min)
                      Precisão (taxa de fluxo-pulso de saída) 3-17L/min±10%
                      Resistência à pressão permitida ≤1.75Mpa

                      *Quando a temperatura da água é de 20 ℃, o fluxo de água permanece estável em 10 ± 0,5 L / min.
                      * Quando a temperatura da água é 5 ℃, o fluxo de água permanece estável em 6,5 ± 0,5 L / min.

                      Productos relacionados
                      Deixe uma mensagem
                      Outros Produtos
                      Enviar mensagem
                      Enviar mensagem