GDV120 | 120-130L/min
Válvula de controle direcional monobloco
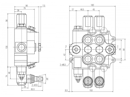
Como uma oferta importante na linha de seis séries de válvulas de controle direcional monobloco, a GDV120 se destaca por sua capacidade de lidar com uma faixa de vazão de 25 a 170 L/min. Apresentando uma ampla seleção de opções de carretel, ela é capaz de controlar cilindros de dupla ação, cilindros de ação simples e motores hidráulicos. Projetada para oferecer versatilidade e precisão, essa série atende aos requisitos complexos de vários sistemas hidráulicos, garantindo uma operação eficiente e confiável em uma grande variedade de configurações.
Características
- Corpo monobloco feito em ferro fundido;
- Tampa de mola com detector em alumínio fundido;
- Corpo de admissão opcional;
- Opções de posição mecânica;
- Controles disponíveis: para controle duplo sincronizado or um cilindro atuador, controle para motores hidráulicos;
- Operação fácil e excelente performance de fluxo;
- Secções: 1 até 4 podem ser produzidos (No momento temos 1 disponível ).
| Vazão nominal | 120L/min |
| Vazão Máxima | 130 L/min |
| Pressão Máxima | 310 bar |
| Vazamento interno (70 bar): A/B a T | 30-35 CC/min |
| Temperatura do fluido | |
| Com NBR (BUNA-N) Selo | -20C° -80C° |
| Com FPM (VITON) Selo | -20C° - 100C° |
| Carretel (1/2 posição ) | 7/-7mm |
| Com ponto flutuante (1/2 e F posição) | 7/-7 -9mm |
| Viscosidade | 15-75mrrT2/s |
| Temperatura ambiente | -40C° -60C° |
| Solenoide com 12VDC ou 14VDC, e sinal de 0-1.5 ou 0-0.75 Amp. | |
Amplamente utilizada em uma grande variedade de máquinas, a série GDV120 aumenta significativamente a eficiência operacional de dispositivos industriais, equipamentos agrícolas e veículos de construção. É particularmente eficaz em sistemas como carregadeiras de rodas, empilhadeiras e rachadores de toras, demonstrando uma solução flexível e confiável para o controle hidráulico preciso em aplicações exigentes.

