Bomba de engrenagem múltipla
Solicite uma cotação
Bombas hidráulicas
Informações técnicas
- Deslocamento: 0.8~30cm³/rev.
- Sentido de rotação: sentido horário (D), anti-horário (S)
- Velocidade mínima: 600r/mín
- Velocidade máxima: 2500r/mín
- Pressão máxima: 170~285bar
Regras para códigos de encomenda
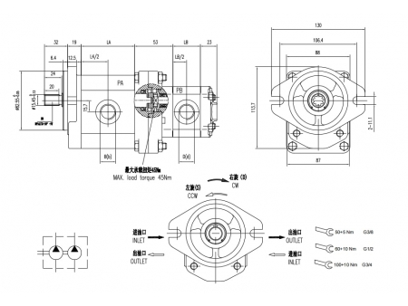
Dimensões padrão do produto
| Deslocamento | Pressão máxima | Velocidade máxima | Velocidade mínima | Dimensões | Código de porta de óleo | Entrada | Saída | Código de porta de óleo | Entrada | Saída | |||
| PA | PB | PA | PB | LA | LB | PA | D | d | PB | D | d | ||
| (cm³/rev.) | (cm³/rev.) | bar | bar | (r/mín) | (r/mín) | mm | mm | ||||||
| 3 | 0.8 | 285 | 270 | 2500 | 600 | 49.1 | 35.6 | L0 | G1/2 | G1/2 | L3 | G3/8 | G3/8 |
| 4 | 1.1 | 285 | 270 | 50.7 | 36.1 | L0 | G1/2 | G1/2 | L3 | G3/8 | G3/8 | ||
| 6 | 1.3 | 285 | 270 | 54 | 37.1 | L0 | G1/2 | G1/2 | L3 | G3/8 | G3/8 | ||
| 8 | 1.6 | 285 | 270 | 57.3 | 38.1 | L1 | G3/4 | G1/2 | L3 | G3/8 | G3/8 | ||
| 10 | 1.8 | 285 | 270 | 60.6 | 39.1 | L1 | G3/4 | G1/2 | L3 | G3/8 | G3/8 | ||
| 12 | 2.1 | 285 | 270 | 63.9 | 40.1 | L1 | G3/4 | G1/2 | L3 | G3/8 | G3/8 | ||
| 14 | 2.7 | 265 | 270 | 67.3 | 42.1 | L1 | G3/4 | G1/2 | L3 | G3/8 | G3/8 | ||
| 16 | 3.2 | 265 | 250 | 70.7 | 44.1 | L1 | G3/4 | G1/2 | L3 | G3/8 | G3/8 | ||
| 18 | 3.7 | 265 | 250 | 74 | 46.1 | L1 | G3/4 | G1/2 | L3 | G3/8 | G3/8 | ||
| 20 | 4.2 | 235 | 250 | 77.3 | 48.1 | L1 | G3/4 | G1/2 | L3 | G3/8 | G3/8 | ||
| 22 | 4.8 | 235 | 230 | 80.6 | 50.1 | L1 | G3/4 | G1/2 | L3 | G3/8 | G3/8 | ||
| 25 | 5.8 | 215 | 230 | 85.6 | 54.1 | L1 | G3/4 | G1/2 | L3 | G3/8 | G3/8 | ||
| 28 | 7 | 190 | 200 | 90.6 | 58.1 | L1 | G3/4 | G1/2 | L3 | G3/8 | G3/8 | ||
| 30 | 8 | 170 | 200 | 93.9 | 62.1 | L1 | G3/4 | G1/2 | L3 | G3/8 | G3/8 | ||
| Deslocamento | Pressão máxima | Velocidade máxima | Velocidade mínima | Dimensões | Código de porta de óleo | Entrada | Saída | Código de porta de óleo | Entrada | Saída | |||
| PA | PB | PA | PB | LA | LB | PA | D | d | PB | D | d | ||
| (cm³/rev.) | (cm³/rev.) | bar | bar | (r/mín) | (r/mín) | mm | mm | ||||||
| 3 | 0.8 | 285 | 270 | 2500 | 600 | 49.1 | 35.6 | L0 | G1/2 | G1/2 | L3 | G3/8 | G3/8 |
| 4 | 1.1 | 285 | 270 | 50.7 | 36.1 | L0 | G1/2 | G1/2 | L3 | G3/8 | G3/8 | ||
| 6 | 1.3 | 285 | 270 | 54 | 37.1 | L0 | G1/2 | G1/2 | L3 | G3/8 | G3/8 | ||
| 8 | 1.6 | 285 | 270 | 57.3 | 38.1 | L1 | G3/4 | G1/2 | L3 | G3/8 | G3/8 | ||
| 10 | 1.8 | 285 | 270 | 60.6 | 39.1 | L1 | G3/4 | G1/2 | L3 | G3/8 | G3/8 | ||
| 12 | 2.1 | 285 | 270 | 63.9 | 40.1 | L1 | G3/4 | G1/2 | L3 | G3/8 | G3/8 | ||
| 14 | 2.7 | 265 | 270 | 67.3 | 42.1 | L1 | G3/4 | G1/2 | L3 | G3/8 | G3/8 | ||
| 16 | 3.2 | 265 | 250 | 70.7 | 44.1 | L1 | G3/4 | G1/2 | L3 | G3/8 | G3/8 | ||
| 18 | 3.7 | 265 | 250 | 74 | 46.1 | L1 | G3/4 | G1/2 | L3 | G3/8 | G3/8 | ||
| 20 | 4.2 | 235 | 250 | 77.3 | 48.1 | L1 | G3/4 | G1/2 | L3 | G3/8 | G3/8 | ||
| 22 | 4.8 | 235 | 230 | 80.6 | 50.1 | L1 | G3/4 | G1/2 | L3 | G3/8 | G3/8 | ||
| 25 | 5.8 | 215 | 230 | 85.6 | 54.1 | L1 | G3/4 | G1/2 | L3 | G3/8 | G3/8 | ||
| 28 | 7 | 190 | 200 | 90.6 | 58.1 | L1 | G3/4 | G1/2 | L3 | G3/8 | G3/8 | ||
| 30 | 8 | 170 | 200 | 93.9 | 62.1 | L1 | G3/4 | G1/2 | L3 | G3/8 | G3/8 | ||

