Bomba de engrenagem múltipla
Solicite uma cotação
Bombas hidráulicas
Informações técnicas
- Deslocamento: 0.8~71cm³/rev.
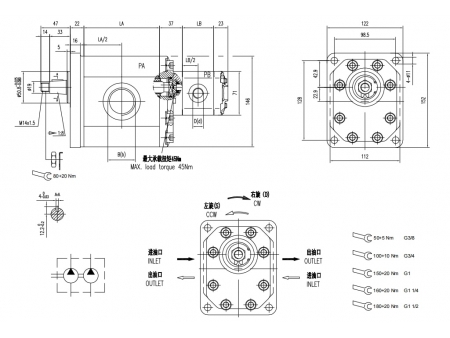
- Sentido de rotação: no sentido horário (D), anti-horário (S), reversível (R)
- Velocidade mínima: 600r/mín
- Velocidade máxima: 2500r/mín
- Pressão máxima: 160~250bar
Regras para códigos de encomenda
Dimensões padrão do produto
| Deslocamento | Pressão máxima | Velocidade máxima | Velocidade mínima | Dimensões | Código de porta de óleo | Entrada | Saída | Código de porta de óleo | Entrada | Saída | |||
| PA | PB | PA | PB | LA | LB | PA | D | d | PB | D | d | ||
| (cm³/rev.) | (cm³/rev.) | bar | bar | (r/mín) | (r/mín) | mm | mm | ||||||
| 20 | 0.8 | 250 | 230 | 2500 | 600 | 81.1 | 35.6 | L0 | G3/4 | G3/4 | L3 | G3/8 | G3/8 |
| 22 | 1.1 | 250 | 230 | 83.1 | 36.1 | L0 | G3/4 | G3/4 | L3 | G3/8 | G3/8 | ||
| 26 | 1.3 | 250 | 230 | 86.1 | 37.1 | L1 | G1 | G3/4 | L3 | G3/8 | G3/8 | ||
| 33 | 1.6 | 230 | 230 | 92.1 | 38.1 | L1 | G1 | G3/4 | L3 | G3/8 | G3/8 | ||
| 39 | 1.8 | 230 | 230 | 99.1 | 39.1 | L1 | G1 | G3/4 | L3 | G3/8 | G3/8 | ||
| 46 | 2.1 | 230 | 230 | 105.1 | 40.1 | L2 | G11/4 | G1 | L3 | G3/8 | G3/8 | ||
| 50 | 2.7 | 220 | 230 | 109.1 | 42.1 | L2 | G11/4 | G1 | L3 | G3/8 | G3/8 | ||
| 52 | 3.2 | 220 | 210 | 111.1 | 44.1 | L2 | G11/4 | G1 | L3 | G3/8 | G3/8 | ||
| 55 | 3.7 | 200 | 210 | 113.1 | 46.1 | L2 | G11/4 | G1 | L3 | G3/8 | G3/8 | ||
| 63 | 4.2 | 200 | 210 | 121.1 | 48.1 | L2 | G11/4 | G1 | L3 | G3/8 | G3/8 | ||
| 71 | 4.8 | 180 | 190 | 128.1 | 50.1 | L3 | G11/2 | G11/4 | L3 | G3/8 | G3/8 | ||
| 5.8 | 190 | 54.1 | L3 | G3/8 | G3/8 | ||||||||
| 7 | 160 | 58.1 | L3 | G3/8 | G3/8 | ||||||||
| 8 | 160 | 62.1 | L3 | G3/8 | G3/8 | ||||||||

