Roda guia para bulldozer Caterpillar D9
Solicite uma cotação
Peças para equipamentos pesados
Rodas-guia Caterpillar
A PT'ZM fabrica uma ampla gama de rodas guia compatíveis com escavadeiras, tratores e equipamentos de mineração Caterpillar.
- Modelos de escavadeiras Caterpillar compatíveisD9N, D9T, D9R
- Números de peça OEM107-2690, 125-4655, 7T2769, 9W9991
Especificações técnicas
- Descrição: Roda guia
- Local de origem: China
- Marca: PT'ZM
- Modelo de máquina aplicável: D9
- Marca de máquina aplicável: Caterpillar
- Número da peça: 9W9991
- Certificado: GB/T19001-2016, ISO9001:2015
- Preço: A negociar
- Método de embalagem: Embalagem fumigada adequada para transporte marítimo
- Prazo de entrega: 7-30 dias
- Condições de pagamento: T/T, outras condições negociáveis
- Condições de envio: FOB, CIF, CFR
- Quantidade mínima de encomenda: 1 unidade
- Capacidade de fornecimento: 100 unidades/mês
- Material: 35Simn/42Crmo/QT450-10
- Processo de fabricação: Fundição
- Acabamento: Liso
- Dureza: HRC55-58, profundidade 8-10 mm
- Qualidade: Operações de construção e mineração, serviço pesado
- Período de garantia: 12 meses
- Serviço pós-venda: Suporte técnico por vídeo, suporte online
- Cor: Amarelo ou conforme exigência do cliente
- Aplicação: Trator de esteira
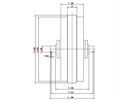
Tabela de tamanhos (unidade: mm)
| D9N | A | B | C | D |
| 760 | 720 | 495 | 471 | |
| E | F | G | H | |
| 376 | 256 | 68 | 13 |
Productos relacionados
Deixe uma mensagem
Outros Produtos
O Mais Recente
Saiba mais
Outros Produtos
Vídeo

