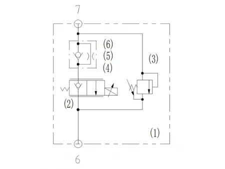
CCM-1 Bloco de válvula de comando (elevação de cilindro)
Solicite uma cotação
Blocos de válvulas hidráulicas para controle suave da elevação e descida da plataforma do elevador tipo tesoura
- Design modular e compacto para um controle hidráulico seguro e confiável
- Design patenteado com válvula de contrapeso de deslocamento integrada para melhorar a estabilidade geral da plataforma
- A construção de alta eficiência reduz o consumo de energia, prolongando o tempo de operação do equipamento
Aplicações
Este bloco de válvula de comando (elevação de cilindro) foi projetado para plataformas elevatórias tipo tesoura, proporcionando um controle preciso do cilindro de elevação superior durante a subida e descida. Com capacidade de manutenção da pressão e velocidade de descida controlada, ele garante uma operação estável, maior segurança e maior eficiência da plataforma.
Especificações
| Pressão máxima de operação | 240bar |
| Fluxo nominal | 20L/min |
| Voltagem | DC24V±10% |
| Faixa de temperatura do fluido | -20℃~80℃ |
| Faixa de temperatura ambiente | -20℃~80℃ |
| Faixa de viscosidade do óleo | ISO 20~400mm²/s |
Productos relacionados
Deixe uma mensagem
Outros Produtos
O Mais Recente
Mandriladora e fresadora CNC portal, Mandriladora e fresadora CNC portal com pórtico fixo e mesa móvel
boringmill-br.com
Saiba mais
Outros Produtos
Vídeo

