Válvula de elevação eletro hidráulica
Solicite uma cotação
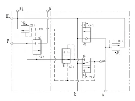
Válvula de controle hidráulico para controle preciso da elevação e descida dos acessórios do trator
A válvula de elevação eletro hidráulica utiliza sinais eletro-proporcionais para controlar com precisão a abertura do carretel, ajustando o fluxo de saída na porta de trabalho com uma capacidade de até 120 L/min. Isso permite a elevação e o abaixamento precisos dos acessórios do trator para atender a vários requisitos operacionais em diferentes aplicações industriais, como a agricultura moderna.
Características
- Design modular e compacto que pode ser combinado com válvulas de múltiplos carretéis para controle hidráulico integrado
- Baixa perda de pressão e alta eficiência, reduzindo o consumo geral de energia da máquina
- Controle de fluxo eletroproporcional com alta sensibilidade, garantindo ajustes suaves e precisos dos implementos
Especificações
| Pressão máxima de operação | 250bar |
| Fluxo nominal | 120L/min |
| Faixa de temperatura do fluido | -40℃~100℃ |
| Faixa de temperatura ambiente | -40℃~80℃ |
| Tratamento de superfície | Niquelado |
| Faixa de viscosidade do óleo | ISO 20~400mm²/s |
Aplicações
Ideal para sistemas de controle de profundidade de tratores, a válvula de elevação hidráulica permite a elevação e o abaixamento proporcional e preciso dos acessórios, mantendo uma profundidade de cultivo consistente para melhorar a precisão e a produtividade agrícola.
Productos relacionados
Deixe uma mensagem
Outros Produtos
O Mais Recente
Saiba mais
Outros Produtos
Vídeo

